预应力钢绞线拉拔试验及锚固力检测
- 来源中钢国检
- 预应力钢绞线拉拔试验 预应力钢绞线锚固力检测 预应力钢绞线检测
中钢国检,国家质检总局首批成立的第三方公正性技术检验机构。现拥有CMA、CNAS、ILAC、交通桥隧专项、钢结构、公路综甲、特种设备无损等检测资质证书,全国10家分子公司,各省市都有办事处,检测业务涵盖:金属检测、建筑材料检测、复合材料检测、铁路/公路/桥梁/隧道工程结构检测、地基桩基检测、人防工程检测、钢构无损检测、煤矿设备检测等。
如果您有检测需求,欢迎拨打工程师电话17637196615(张工)或者点击“在线咨询”,工程师将为您提供详细的解答、周到的服务。
在桥梁、高铁、高层建筑、边坡支护等重大基础设施工程中,预应力钢绞线是核心受力构件,其质量直接决定工程结构的承载能力、稳定性与耐久性。一旦钢绞线性能不达标或锚固系统失效,可能引发结构坍塌、工程事故等严重后果。因此,规范开展预应力钢绞线检测,尤其是核心的拉拔试验与锚固力检测,成为工程质量控制的关键环节。作为国家级第三方检测机构,中钢国检凭借40年行业深耕经验,为各类工程提供权威、精准的预应力钢绞线检测服务,为工程安全筑牢第一道防线。
预应力钢绞线的承载性能与锚固可靠性,是工程安全的核心保障,对应的拉拔试验与锚固力检测,更是直接验证其使用安全性的核心项目。
一、拉拔试验:精准判定承载极限,规避强度不足风险
拉拔试验是检测预应力钢绞线抗拉性能的核心手段,通过模拟实际工程中的受力状态,逐级施加轴向拉力,直至钢绞线达到极限承载状态,以此判定其最大承载力、屈服强度、延伸率等关键力学指标。在实际工程中,钢绞线需长期承受巨大拉力,若抗拉性能不达标,可能在使用过程中发生断裂,直接导致工程结构失稳。
中钢国检严格遵循GB/T 21839-2019《预应力混凝土用钢材试验方法》、GB/T 5224-2023《预应力混凝土用钢绞线》等国家标准,采用国际领先的电子万能试验机等检测设备,实现对拉拔试验全过程的精准控制与数据采集。检测过程中,技术人员会实时监测荷载变化与钢绞线伸长量,确保数据真实可靠;针对不同类型的钢绞线(如低松弛钢绞线、环氧涂层钢绞线、镀锌钢绞线等),定制专属检测方案,保障检测结果与工程实际需求高度匹配。统计数据显示,经中钢国检规范检测的钢绞线,因抗拉性能不足导致的工程风险可降低80%以上。
二、锚固力检测:验证锚固系统可靠性,杜绝滑脱失效隐患
锚固系统是预应力钢绞线发挥受力作用的关键配套部件,锚固力检测旨在验证锚具、夹片等部件与钢绞线的协同工作能力,确保其能可靠传递预应力,避免出现滑丝、滑脱等失效问题。在桥梁张拉、边坡支护等场景中,锚固失效可能引发钢绞线突然释放预应力,导致结构坍塌、边坡滑塌等重大事故,后果不堪设想。
中钢国检的锚固力检测涵盖基本试验、验收试验等全类型检测,根据工程安全等级与设计要求,精准设定加载等级与持荷时间。检测过程中,采用高精度压力传感器与位移传感器,实时监测锚固系统在不同荷载下的位移变化,严格控制张拉力与设计值的偏差不超过5%,确保锚固性能符合规范要求。针对检测中发现的滑丝、锚固力不足等问题,中钢国检技术团队会结合工程实际给出专业整改建议,如调整夹片硬度(控制在HRC58~62)、优化张拉工艺等,从根本上规避锚固失效风险。
三、第三方检测机构-中钢国检
预应力钢绞线检测的权威性与精准性,直接依赖于检测机构的资质实力与技术水平。中钢国检作为国家质检总局首批批准成立的第三方公正性技术检验机构,具备CAL、CMA、CNAS、ILAC、SCS等全资质认证,出具的检测报告加盖权威资质印章,具备法律效力,全国认可且线上可查,可直接作为工程验收、质量仲裁的核心依据。
在技术实力方面,中钢国检拥有600+专家组成的专业技术团队,其中多名人员参与预应力钢绞线相关国家标准的制修订工作,理论功底与实践经验兼备;配备3000+台套先进检测设备,涵盖电子万能试验机、应力松弛试验机等全套检测设备,可满足各类预应力钢绞线及配套锚具的检测需求。针对不同行业(如铁路、桥梁、建筑、岩土工程等)的特殊要求,中钢国检还能精准匹配行业专属标准,如铁路行业的Q/CR 907标准、斜拉桥领域的GB/T 30826标准等,提供定制化检测服务。
在服务效率与便捷性上,中钢国检构建了覆盖全国的服务网络,拥有10家分公司及各省市办事处,支持邮寄送检、上门取样、现场检测等多种服务模式,极大降低客户送检成本;检测流程高效规范,一般3-7个工作日即可出具检测报告,紧急项目可加急处理,确保客户及时获取检测结果,不耽误工程进度。此外,中钢国检还提供一对一工程师咨询服务,从样品准备、检测项目确定到报告解读、技术整改,全程为客户提供专业指导,让检测更省心、更高效。
四、预应力钢绞线检测报告-案例
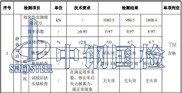
中钢国检作为老牌第三方检测机构,深耕行业40年,其拥有非常丰富的预应力锚具检测经验,下面是某单位委托中钢国检做的缓粘结预应力钢绞线-挤压锚组装件检测,客户邮寄送检了3根组装件和3根母材,委托做静载锚固性能检测,详细内容如下:

工程部位:桥梁工程
样品名称:缓粘结预应力钢绞线-挤压锚组装件
来样方式:邮寄
样品数量:组装件 3 根,母材 3 根
检测依据:GB/T 14370-2015《预应力筋用锚具、夹具和连接器》
判定依据:GB/T 14370-2015《预应力筋用锚具、夹具和连接器》
检测项目:1.静载锚固性能。
主要仪器设备:1.微机控制电液伺服钢绞线拉力试验机(检 W146);2.电子引伸计(检 WY028);3.钢卷 尺(检 WL241)。 检测结论:送检样品所检项目符合 GB/T 14370-2015 标准要求。

以上就是中钢国检根据客户委托的样品检测项目结果,出具的预应力钢绞线检测报告,报告加盖了CMA、CNAS等资质印章,具备法律效力,在中钢国检官网和国家质量监督局均线上可查,全国认可,用途广泛。
综上,中钢国检是专业第三方检测机构,提供预应力钢绞线全面检测服务,并且中钢国检检测服务覆盖全国,各个地区客户可就近选择检测站和实验室。同时,中钢国检支持邮寄、上门取样和现场检测等多个送检方式,线上委托,检测方便快捷,一般3-7天即可出具正规检测报告。若您有预应力钢绞线或其他检测需求,均可随时咨询中钢国检,与工程师沟通具体的检测样品及检测项目指标,并获取优惠报价。
检测资质
上一篇:隔音垫检测规范 隔音垫检测报告
下一篇:植筋胶送检项目 植筋胶送检检测费

