哪里可检测硅烷浸渍剂好
- 来源中钢国检
- 硅烷浸渍剂检测 哪里可检测硅烷浸渍剂 哪里检测硅烷浸渍剂好
中钢国检,国家质检总局首批成立的第三方公正性技术检验机构。现拥有CMA、CNAS、ILAC、交通桥隧专项、钢结构、公路综甲、特种设备无损等检测资质证书,全国10家分子公司,各省市都有办事处,检测业务涵盖:金属检测、建筑材料检测、复合材料检测、铁路/公路/桥梁/隧道工程结构检测、地基桩基检测、人防工程检测、钢构无损检测、煤矿设备检测等。
如果您有检测需求,欢迎拨打工程师电话17637196615(张工)或者点击“在线咨询”,工程师将为您提供详细的解答、周到的服务。
硅烷浸渍剂是一种广泛应用于混凝土表面防护的材料,通过渗透至混凝土内部,形成防水、防污、防腐蚀的?;げ?,有效提升混凝土结构的耐久性和使用寿命。然而,为了确保其性能符合标准要求,硅烷浸渍剂的检测显得尤为重要。那么哪里可检测硅烷浸渍剂好?如何办理全国认可的硅烷浸渍剂检测报告?有没有权威第三方检测机构推荐?本文将为大家详细介绍,并附上正规硅烷浸渍剂检测案例。
一、哪里可检测硅烷浸渍剂好
目前市场上有不少第三方检测机构,综合考虑检测机构资质、检测实力、行业声誉、地理位置、服务及价格优势等因素,为大家推荐老牌第三方检测机构-中钢国检。
资质齐全,检测权威
中钢国检是国家质检总局首批批准成立的第三方公正性技术检验机构,拥有CMA、CNAS、ILAC等国际认可的检测资质,检测报告具有法律效力,全国认可。
检测范围广泛
中钢国检可对硅烷浸渍剂、硅烷浸渍涂料、硅烷浸渍混凝土、硅烷浸渍膏、硅烷浸渍涂层等多种材料进行全面检测,涵盖硅烷含量、氯离子含量、渗透深度、抗氯离子渗透性等指标。
检测服务便捷
中钢国检提供多种送检方式,包括邮寄、上门取样、现场检测等,检测周期短(3-7个工作日),检测报告出具迅速,满足客户需求。
全国服务网络
中钢国检在全国多地设有分支机构,客户可就近选择检测站和实验室,服务范围覆盖桥梁、隧道、风电、减隔震等多个领域。
二、硅烷浸渍剂检测的重要性
硅烷浸渍剂的性能直接影响混凝土结构的耐久性和使用寿命。通过检测硅烷含量、氯离子渗透性、抗碳化性能等指标,可以评估其防护效果,确保其在恶劣环境下的长期稳定性。
三、硅烷浸渍剂第三方检测报告-案例
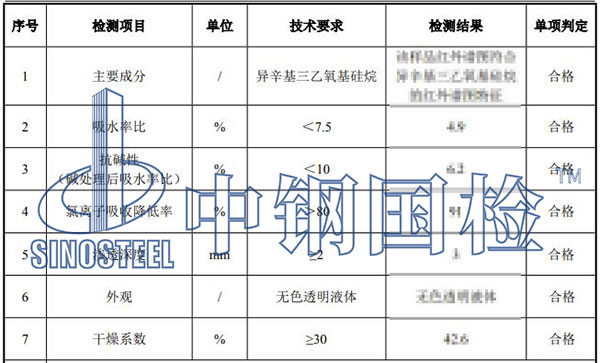
中钢国检作为老牌第三方检测机构,深耕行业40年,其拥有非常丰富的硅烷浸渍剂检测经验,下面是某单位委托中钢国检做的硅烷浸渍剂检测,客户共委托了7项检测项目指标,详细内容如下:
工程部位:桥梁工程
样品名称:硅烷浸渍剂
样品数量:硅烷 2kg,100mm×100mm×100mm 20 块(14 块喷涂,6 块未涂),150mm×150mm×150mm 3 块(1块喷涂,2块未涂)
代表数量:9.6t
检测依据:1.TB/T 3228-2010《铁路混凝土结构耐久性修补及防护》。
判定依据:1.TB/T 3228-2010《铁路混凝土结构耐久性修补及防护》;
2.设计要求。
检测项目:1.主要成分,2.吸水率比,3.抗碱性,4.氯离子吸收降低率,5.渗透深度,6.外观,7.干 燥系数。
完成期限:7 天
检测结论:送检样品所检项目符合 TB/T 3228-2010 标准及设计要求。
以上就是中钢国检根据客户委托的样品检测项目结果,出具的硅烷浸渍剂检测报告,报告加盖了CMA、CNAS等资质印章,具备法律效力,在中钢国检官网和国家质量监督局均线上可查,全国认可,用途广泛。
综上,中钢国检是专业第三方检测机构,提供硅烷浸渍剂全面检测服务,并且中钢国检检测服务覆盖全国,各个地区客户可就近选择检测站和实验室。同时,中钢国检支持邮寄、上门取样和现场检测等多个送检方式,线上委托,检测方便快捷,一般3-7天即可出具正规检测报告。若您有硅烷浸渍剂或其他检测需求,均可随时咨询中钢国检,与工程师沟通具体的检测样品及检测项目指标,并获取优惠报价。
检测资质

