钢结构防火涂料送检数量及规范
中钢国检,国家质检总局首批成立的第三方公正性技术检验机构。现拥有CMA、CNAS、ILAC、交通桥隧专项、钢结构、公路综甲、特种设备无损等检测资质证书,全国10家分子公司,各省市都有办事处,检测业务涵盖:金属检测、建筑材料检测、复合材料检测、铁路/公路/桥梁/隧道工程结构检测、地基桩基检测、人防工程检测、钢构无损检测、煤矿设备检测等。
如果您有检测需求,欢迎拨打工程师电话17637196615(张工)或者点击“在线咨询”,工程师将为您提供详细的解答、周到的服务。
钢结构防火涂料在现代建筑中扮演着至关重要的角色,主要用于提高钢结构在火灾中的耐火性能。为了确保其功能的有效性,钢结构防火涂料的送检和检测显得尤为重要。那么钢结构防火涂料送检数量及规范有哪些?有没有权威第三方检测机构推荐?本文将为大家详细介绍。
钢结构防火涂料送检数量
钢结构防火涂料的送检数量并非随意确定,而是需要根据实际项目需求、涂料种类及检测标准综合考量。一般来说,送检样品应具有一定的代表性,能够反映整批涂料的整体质量水平。具体而言,送检数量可能包括多个批次、不同颜色或型号的涂料样品,以确保检测结果的全面性和准确性。此外,送检前需仔细核对样品信息,如生产日期、批次号、生产厂家等,以便在检测过程中进行追溯。
钢结构防火涂料送检规范
钢结构防火涂料的送检需遵循相关规范和标准,以确保检测的全面性和准确性。主要规范包括:
国家标准:如GB 14907-2018《钢结构防火涂料》或其他相关国家标准,规定了防火涂料的性能要求、检测方法及送检程序。
行业标准:例如建筑行业相关标准,详细说明了防火涂料的应用和性能要求。
检测方法:规范中详细列出了检测防火涂料性能的方法,包括厚度检测、耐火性能测试、附着力测试等。
这些规范确保了防火涂料的检测过程严格且符合标准,确保涂料的实际效果能够满足建筑防火要求。
钢结构防火涂料送检单位
钢结构防火涂料一般送检到专业第三方检测单位进行检测,如老牌国家级检测单位-中钢国检,是国家质检局首批批准成立的第三方公正性技术检验机构,拥有CAL、CMA、CNAS、ILAC、SCS等资质认证,目前已经深耕行业近40年,在行业内享有良好的声誉,很多单位指定要中钢国检出具的检测报告。
中钢国检作为国内专业的第三方检测机构,凭借其专业的技术团队、先进的检测设备和丰富的检测经验,在钢结构防火涂料检测领域具有较高的权威性。选择中钢国检进行钢结构防火涂料送检,您将获得以下优势:
专业性强:中钢国检拥有专业的检测团队和完善的检测体系,能够确保检测结果的准确性和可靠性。
服务全面:中钢国检提供从样品接收到报告出具的一站式服务,让客户省心省力。
权威认证:中钢国检的检测报告具有法律效力,可作为产品合格证明或质量纠纷的仲裁依据。
高效便捷:中钢国检采用先进的信息化管理系统,提高检测效率,缩短检测周期,让客户更快获得检测结果。
钢结构防火涂料第三方检测报告-案例
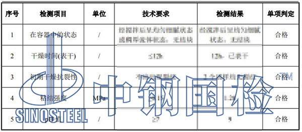
中钢国检作为老牌第三方检测机构,服务行业近40年,其拥有非常丰富的钢结构防火涂料检测经验,下面是某单位委托中钢国检做的钢结构防火涂料检测,客户送检了2千克样品,共委托了6项检测项目指标,详细内容如下:
样品名称:膨胀型钢结构防火涂料
样品数量:2kg
样品特征:密封完好
检测类别:委托检测
检测标准依据:1.GB 14907-2018《钢结构防火涂料》。
判定依据:GB 14907-2018《钢结构防火涂料》
检测项目:1.隔热效率偏差,2.在容器中的状态,3.干燥时间,4.初期干燥抗裂性,5.粘结强度, 6.pH 值。
检测项目结果:
检测结论:送检样品所检项目符合 GB 14907-2018 标准要求。
以上就是中钢国检根据客户委托的样品检测项目结果,出具的钢结构防火涂料第三方检测报告,报告加盖了CMA、CNAS等资质印章,具备法律效力,在中钢国检官网和国家质量监督局均线上可查,全国认可,用途广泛。
综上,中钢国检是专业第三方检测机构,提供钢结构防火涂料全面检测服务,并且中钢国检检测服务覆盖全国,各个地区客户可就近选择检测站和实验室。同时,中钢国检支持邮寄、上门取样和现场检测等多个送检方式,线上委托,检测方便快捷,一般3-7天即可出具正规检测报告。若您有钢结构防火涂料或其他检测需求,均可随时咨询中钢国检,与工程师沟通具体的检测样品及检测项目指标,并获取优惠报价。
检测资质

