建筑外窗检测规范 建筑外窗隔声性能检测报告
中钢国检,国家质检总局首批成立的第三方公正性技术检验机构。现拥有CMA、CNAS、ILAC、交通桥隧专项、钢结构、公路综甲、特种设备无损等检测资质证书,全国10家分子公司,各省市都有办事处,检测业务涵盖:金属检测、建筑材料检测、复合材料检测、铁路/公路/桥梁/隧道工程结构检测、地基桩基检测、人防工程检测、钢构无损检测、煤矿设备检测等。
如果您有检测需求,欢迎拨打工程师电话17637196615(张工)或者点击“在线咨询”,工程师将为您提供详细的解答、周到的服务。
在建筑工程中,建筑外窗是非常重要的组成部分,其隔声性能直接关系到建筑内部环境的舒适度。因此,建筑外窗检测是重要的一项工作。那么建筑外窗检测规范有哪些?如何获取权威的建筑外窗隔声性能检测报告?有没有专业第三方检测中心推荐?本文将为大家详细介绍。
建筑外窗检测规范
建筑外窗检测规范是指针对建筑外窗进行检测所需遵循的规范和程序。在国内,建筑外窗检测规范主要包括:
GB/T 7106-2019《建筑外门窗气密、水密、抗风压性能检测方法》;
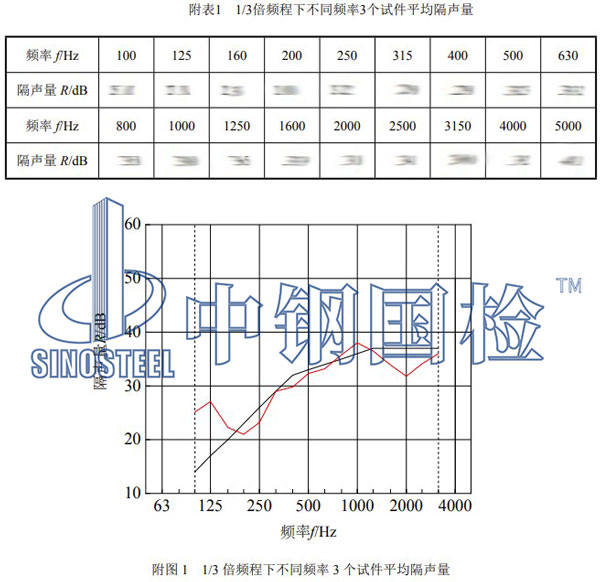
GB/T 19889.3-2005《声学 建筑和建筑构件隔声测量 第 3 部分:建筑构件空气声 隔声的实验室测量》;
GB/T 8485-2008《建筑门窗空气声隔声性能分级及检测方法》;
GB/T 8484-2020《建筑外门窗保温性能检测方法》等相关标准。
这些规范明确了建筑外窗检测的流程、方法和要求,确保检测过程的准确性和可靠性。
建筑外窗第三方检测中心
建筑外窗检测中心(中钢国检)是一家专业的门窗检测机构,作为国家质检总局首批批准成立的第三方公正性技术检验机构,具有CMA/CNAS/CAL/ILAC等检测资质,配置专业的检测设备和技术人员,可以检测各种门窗,包括钢制门窗、塑钢门窗、铝合金门窗、玻璃钢门窗等。
中钢国检的检测范围涵盖了建筑外窗的隔声性能、水密性能、气密性能、传热系数、可见光透射比以及遮阳系数等多个方面。通过严格的检测流程和先进的检测设备,中钢国检能够为客户提供准确、可靠的检测结果。
建筑外窗隔声性能检测报告
建筑外窗隔声性能检测报告是评估建筑外窗隔声性能的重要依据。该报告通常由专业的检测机构出具,包括隔声量的测试结果、低频隔声量和最低隔声频率的隔声量等多个指标。建筑外窗隔声性能检测报告对于建筑外窗的设计、施工和验收都具有重要的参考价值。
中钢国检作为老牌声学检测机构,服务行业近40年,其拥有非常丰富的建筑外窗隔声性能检测经验,下面是某单位委托中钢国检做的建筑外窗铝合金窗检测,客户说送检了3 樘样品,共委托了5项检测项目指标,其中就包括隔声性能检测,详细内容如下:
样品名称:铝合金窗
规格型号:2300×2100mm
样品数量:3 樘
检测类别:委托检测
检测标准依据:1.GB/T 7106-2019《建筑外门窗气密、水密、抗风压性能检测方法》;
2.GB/T 8485-2008《建筑门窗空气声隔声性能分级及检测方法》;
3.GB/T 8484-2020《建筑外门窗保温性能检测方法》。
判定依据:技术要求
检测项目:1.水密性能,2.抗风压性能,3.气密性能,4.隔声性能,5.保温性能。
检测项目结果:

检测结论:送检样品所检项目符合技术要求。
备注:技术要求:水密性能≥4 级,抗风压性能≥5 级,气密性能≥6 级,隔声性能≥3 级, 保温性能≥5 级。试验检测按实际测量尺寸;测试样品为建筑外窗。
以上就是中钢国检根据客户委托的样品检测项目结果,出具的建筑外窗隔声性能第三方检测报告,报告加盖了相关资质印章,具备法律效力,在中钢国检官网和国家质量监督总局均线上可查,全国认可,用途广泛。
总之,建筑外窗检测是确保建筑外窗质量和性能的重要手段。中钢国检作为专业第三方检测机构,能够确保建筑外窗的隔声性能得到准确评估和验证。并且中钢国检检测服务覆盖全国,各个地区客户可就近选择检测站和实验室。同时,中钢国检支持邮寄、上门取样和现场检测等多个送检方式,线上委托,检测方便快捷,一般3-7天即可出具正规检测报告。若您有建筑外窗或其他检测需求,均可随时咨询中钢国检,与工程师沟通具体的检测样品及检测项目指标,并获取优惠报价。
检测资质

