铝板检测报告有效期几年 铝板检测报告要多少钱
- 来源中钢国检
- 铝板检测报告有效期几年 铝板检测要多少钱
铝板是一种常用的建筑材料,其质量直接关系到建筑物的安全性与使用寿命。因此,铝板的检测十分重要。但是,很多人对铝板检测报告的有效期和费用并不清楚,本文将为大家详细讲解。
铝板检测报告的有效期是多久
铝板检测报告的有效期取决于检测机构或标准规定。一般来说,国家相关标准要求,对于已经使用的铝板,其检测报告的有效期限不应超过2年。对于新铝板,其检测报告的有效期限为3年。此外,针对某些特定材料或应用场合,其检测报告的有效期限可能会有不同规定。铝板检测报告一般需要专业的第三方检测机构进行,因此,在选择检测机构时,要看其是否符合规定,以避免因为检测报告过期而影响到工程的验收等相关事宜。
铝板检测项目包括哪些内容
1.外观质量检测:主要是通过肉眼检测铝板表面是否有裂纹、氧化、划痕、凹陷等缺陷,以及颜色和光泽度是否均匀。
2.厚度检测:铝板的厚度直接影响其的使用寿命和应用场景,因此在检测过程中必须进行准确的厚度检测。
3.化学成分检测:铝板的化学成分也会影响其性能,如强度、硬度和韧性等,因此需要进行化学成分检测,确保其符合标准要求。
4.物理性能检测:铝板在使用过程中需要承受不同的力度和温度等环境,因此需要检测其物理性能,如强度、韧性、硬度和伸缩性等。
5.铝板表面耐腐蚀性检测:铝板表面需要有一定的耐腐蚀性能,以保障其在特定环境下的使用寿命。常见的耐腐蚀测试包括盐雾试验和湿度试验等。
6.铝板拉伸性能检测:铝板的拉伸性能与其应用场景有关,需要依据不同的使用情况进行拉伸性能测试,例如室温冲击强度、高温拉伸强度等。
7.铝板的热处理效果检测:铝板材料需要通过热处理来改变其性能,带来特定的优点,在检测过程中,需要检测热处理后的铝板的组织结构和性能是否符合标准要求。
以上只是部位检测项目,具体检测项目还需要根据具体情况及客户检测目的和要求来定,如有任何疑问,欢迎随时咨询中钢国检。
铝板检测报告-中钢国检案例
中钢国检是老牌大型国企检测单位,是质检总局首批批准成立的第三方公正性技术检验机构,目前已经服务行业近40年,其有着非常丰富的铝板检测经验,下面就是某单位委托中钢国检做的铝板检测,详细内容如下:
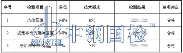
样品名称:铝板
样品数量:2块
检测类别:委托检测
检测依据:GB/T16865-2013《变形铝、镁及其合金加工制品拉伸试验用试样及方法》。
判定依据:GB/T 3880.1-2012《一般工业用铝及铝合金板、带材 第1部分:一般要求》
检测项目:1.断后伸长率,2.规定非比例延伸强度,3.抗拉强度。
检测项目结果:
检测结论:送检样品所检项目符合GB/T 3880.1-2012标准要求。
以上就是中钢国检根据客户委托的铝板检测项目结果,出具的铝板检测报告,报告加盖了相关资质印章,具备法律效力,全国认可,用途广泛。
铝板检测报告要多少钱?
铝板的检测费用与检测机构、所用的检测方法、检测规模等有关。一般来说,铝板的检测费用在数百到数千元不等。一般根据检测项目收费,检测项目越多,数量规模越大,总价越高,单项检测费用会降低(一般都会有优惠)。另外,不同的检测机构采用的检测技术、设备等不同,收费标准也不同,因此同产品同项目不同单位检测,收费标准也会不同的。除了这些,还有其它因素会影响铝板检测费用,如检测周期要求、地区等,因此,铝板检测报告要多少钱,目前市场上并没有统一规定。
综上,中钢国检作为专业的第三方检测机构,不但提供铝板全项目检测,而且可以根据用户的特殊要求,提供铝板定制化检测服务。铝板检测报告的有效期和费用与多个因素有关,在使用铝之前或出场之前,建议选择有资质的检测机构进行检测,以确保其质量和安全性。比如可以随时咨询中钢国检,中钢国检在全国范围内开办了十多个分公司,34处办事处,能够及时响应大家的需求,欢迎随时与中钢国检工程师沟通具体的检测产品及检测项目指标,并获取详细报价清单。值得一提的是中钢国检作为国企检测单位,除了其检测实力和服务深得大家信赖外,中钢国检收费标准较为公开透明合理,大家可以放心选择中钢国检做检测。
中钢国检(中钢集团郑州金属制品研究院股份有限公司),是国家质检总局首批批准成立的第三方公正性技术检验机构。现拥有CAL、CMA、CNAS、ILAC、SCS等资质证书,全国10家分公司,各省市都有办事处,检测业务涵盖:金属、高分子材料、建筑材料、铁路公路桥梁隧道工程、地基桩基工程、人防工程、无损检测等。
如果您对检测感兴趣或者有疑问,欢迎拨打工程师电话17637196615(张工)或者点击“在线咨询”,工程师将为您提供详细的解答、周到的服务。
检测案例
上一篇:铁路道砟检测报告收费标准

