土壤氡浓度检测目的 土壤氡浓度检测规范依据
在当今社会,环境?;ず腿死嘟】党晌嗣歉叨裙刈⒌慕沟恪?a href="http://dkplg.4tqk.cn/jiance/xingneng/1568.html">土壤氡浓度检测作为一项重要的环境监测手段,对于保障我们的生活质量和生态安全起着至关重要的作用。那么土壤氡浓度检测目的有哪些?土壤氡浓度检测规范依据有哪些?土壤氡浓度检测找哪个检测机构?土壤氡浓度检测报告如何办理?本文将为大家详细介绍。

土壤氡浓度检测的目的
1. 环境保护
氡是一种放射性气体,主要来源于土壤中的放射性元素衰变。土壤中氡含量高不仅可能导致土壤污染,还可能通过空气传播影响周围环境质量。因此,进行土壤氡浓度检测是评估土壤污染程度、制定环境?;ご胧┑闹匾疤帷?/p>
2. 健康风险评估
氡及其衰变产物对人体健康有潜在危害,长期暴露在高浓度氡环境中可能增加患肺癌等疾病的风险。土壤氡浓度检测旨在了解土壤中的氡含量,评估其对居民健康的潜在威胁,为制定健康防护措施提供依据。
3. 工程安全评估
在建筑、矿山等工程项目中,土壤氡浓度检测也是必不可少的环节。通过检测可以评估地基土壤中的氡含量,为工程设计和施工提供科学依据,确保工程结构安全及人员健康。
土壤氡浓度检测规范依据
土壤氡浓度检测主要依据国家和地方的相关标准规范进行,如《民用建筑工程室内环境污染控制规范》(GB 50325-2020)等。这些规范明确了土壤氡浓度检测的方法、取样位置、采样数量、测试设备性能要求等,为检测工作提供了统一的技术标准和操作指南。
在具体实施检测时,还需结合项目实际情况和地质条件进行综合考虑。例如,在矿山、地下工程等特定场所,可能需要根据地质构造、岩石成分等因素制定更加详细的检测方案。
土壤氡浓度检测机构:中钢国检
中钢集团郑州金属制品研究院股份有限公司质检中心(简称中钢国检)是质检总局首批批准成立的第三方公正性技术检验机构。在土壤氡浓度检测领域,中钢国检拥有专业的技术团队和先进的检测设备,能够提供准确可靠的检测服务。
服务优势
资质齐全:中钢国检拥有 CMA、CAL、CNAS、ILAC 等多项资质认证,具备开展土壤氡浓度检测的合法资格。其检测报告具有权威性和公信力,具有法律效力,为客户提供了有力的保障。
技术先进:中钢国检配备了先进的土壤氡浓度检测设备和专业的技术人员。采用先进的检测技术和方法,能够准确、快速地检测土壤中的氡浓度。同时,不断进行技术创新和研发,提高检测的精度和效率。
服务优质:中钢国检以客户为中心,提供全方位的优质服务。从检测方案制定、现场采样到实验室分析、报告出具,都严格按照规范要求进行操作,确保检测结果的准确性和可靠性。
应用案例
中钢国检在土壤氡浓度检测领域积累了丰富的应用案例。例如,在新建住宅、公共建筑等项目中,中心对地基土壤进行了氡浓度检测,为工程设计和施工提供了科学依据;在矿山、地下工程等特定场所,中心也进行了针对性的土壤氡浓度检测,评估了潜在的辐射风险并制定了相应的防护措施。
土壤氡浓度第三方检测报告-案例
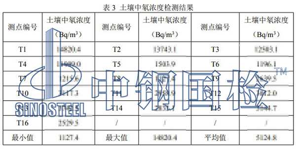
中钢国检作为老牌第三方检测机构,服务行业近40年,其拥有非常丰富的土壤氡浓度检测经验,下面是某单位委托中钢国检做的土壤氡浓度检测,检测样品有16处,中钢国检采用少量抽气-静电收集-射线探测器法完成了检测,并出具了土壤氡浓度检测报告,详细内容如下:
工程部位:某站房及相关工程
样品名称:土壤
样品数量:16 处
样品特征:现场已满足
检测标准依据:GB 50325-2020《民用建筑工程室内环境污染控制标准》
判定依据:GB 50325-2020《民用建筑工程室内环境污染控制标准》
检测项目:1.土壤中氡浓度。
检测条件:天气:晴;温度:30℃~40℃;相对湿度:50%~80%。
检测仪器:1.智能环境氡测量仪 2.智能环境氡测量仪 3.温湿度表
检测方法:少量抽气-静电收集-射线探测器法
检测结论:对某站站房及相关工程站房土壤中氡浓度进行检测,检测区域共布设 16个测点,检测浓度范围值和平均值结果,该工程项目各测点土壤中氡浓度及土壤中氡浓度平均值均小于20000 Bq/m3,可不采取防氡工程措施。
以上就是中钢国检根据客户委托的样品检测项目结果,出具的土壤氡浓度检测报告,报告加盖了CMA、CNAS等资质印章,具备法律效力,在中钢国检官网和国家质量监督局均线上可查,全国认可,用途广泛。
综上,土壤氡浓度检测是保障环境健康和工程安全的重要手段。中钢国检是专业第三方检测机构,提供土壤氡浓度全面检测服务,并且中钢国检检测服务覆盖全国,各个地区客户可就近选择检测站和实验室。同时,中钢国检支持邮寄、上门取样和现场检测等多个送检方式,线上委托,检测方便快捷,一般3-7天即可出具正规检测报告。若您有土壤氡浓度或其他检测需求,均可随时咨询中钢国检,与工程师沟通具体的检测样品及检测项目指标,并获取优惠报价。
中钢国检(中钢集团郑州金属制品研究院股份有限公司),是国家质检总局首批批准成立的第三方公正性技术检验机构。现拥有CAL、CMA、CNAS、ILAC、SCS等资质证书,全国10家分公司,各省市都有办事处,检测业务涵盖:金属、高分子材料、建筑材料、铁路公路桥梁隧道工程、地基桩基工程、人防工程、无损检测等。
如果您对检测感兴趣或者有疑问,欢迎拨打工程师电话17637196615(张工)或者点击“在线咨询”,工程师将为您提供详细的解答、周到的服务。

